| S.No | Question | Option A | Option B | Option C | Option D | Answer | Solution | Comments | Status | Action | 
|---|---|---|---|---|---|---|---|---|---|---|
| 1 | Guide angle as per the aerofoil theory of Kaplan turbine blade design is defined as the angle between | lift and resultant force | drag and resultant force | lift and tangential force | lift and drag | a | Guide angle as per the aerofoil theory of Kaplan turbine blade design is defined as the angle between lift and resultant force. Since the vertical component of the force on aerofoil is called lift so the guide angle is the angle between the lift and the resultant force. | Comments | Active | |
| 2 | A Pelton wheel is | impulse turbine | radial flow impulse turbine | inward flow impulse turbine | outward flow impulse turbine | a | Pelton Wheel Turbine: Pelton turbine is a tangential flow impulse turbine that transforms the potential energy of water into kinetic energy in a form of a water jet, which impacts and drives a Pelton runner. | Comments | Active | |
| 3 | A turbine pump is basically a centrifugal pump equipped additionally with | adjustable blades | backward curved blades | vaned diffusion casing | inlet guide blades | c | A turbine pump is basically a centrifugal pump equipped additionally with Vaned diffusion casing. The turbine pump utilizes a guided impeller which directs the incoming water radially. In this type of pump, the guide wheel containing a series of guide vanes or diffusers is the additional component. Turbine Pump = Centrifugal Pump + Diffuser Vanes (vaned diffusion casing) | Comments | Active | |
| 4 | Any change in load is adjusted by adjusting following parameter on turbine | net head | absolute velocity | blade velocity | flow | d | A turbine is a rotary mechanical device that extracts energy from a fluid flow and converts it into useful work. Any change in load can be adjusted only by adjusting the flow rate. \((power) P=ÏQgh\) | Comments | Active | |
| 5 | Water, by evaporative cooling, can theoretically be cooled down to:- | atmospheric temperature | air’s dry bulb temperature | air’s wet bulb temperature | air’s dew point temperature | d | Evaporative cooling works on the principle that when water evaporates, it absorbs heat from its surroundings, which cools the remaining liquid. The lowest temperature that water can be cooled to by pure evaporative cooling (with no external refrigeration) is the wet bulb temperature of the surrounding air. Dew point temperature: This is the temperature at which air becomes saturated and condensation begins. | Comments | Active | |
| 6 | Two pipe systems can be said to be equivalent, when the following quantities are same | Pipes connected in series | Pipes connected in parallel For pipes connection in series: The discharge through all the pipes is the same and equivalent head loss is the sum of head loss in all the individual pipes. • \(Q_{eq}=Q_{1}=Q_{2}=…and h_{eq}=h_{1}+h_{2}+…\) • \(\frac{l_{eq}}{deq5}=\frac{l_{1}}{d15}+\frac{l_{2}}{d25}+…\) • For pipes of the same diameter as all the pipes equivalent length of the pipe is given by the sum of the length of all the pipes. For pipes connected in parallel: The head loss through all the pipes is the same and equivalent discharge is the sum of discharge in all the individual pipes. • \(h_{eq}=h_{1}=h_{2}=…and Q_{eq}=Q_{1}+Q_{2}+…\) • \(\frac{l_{eq}}{deq5}=\frac{l_{1}}{d15}=\frac{l_{2}}{d25} and (\frac{deq5}{l_{eq}})^{\frac{1}{2}}=(\frac{d23}{l_{2}})^{\frac{1}{2}}+…\) • For pipes of equal length and diameter \(d_{eq}=n^{2/5}d\) | flow and length | friction factor and diameter | a | • The equivalent length method (L/D ratio) allows describing the pressure drop through the pipe due to friction loss corresponding to flow rate i.e. if in the two pipe of a system having same flow rate and same friction loss then this system of the pipe is said to be equivalent. • Or, an equivalent pipe is defined as the pipe of uniform diameter having loss of head and discharge equal to the loss of head and discharge of a compound pipe consisting of several pipes of different lengths and diameters. • There are two combinations of equivalent pipe system: | Comments | Active | |
| 7 | General energy equation holds for | steady flow | turbulent flow | laminar flow | non-uniform flow | d | According to the conservation of energy applied to a control volume, the rate of heat added to a control volume minus the rate of work done from a control volume is equal to the rate of change of energy within the control volume plus the net rate of a flux of energy from the control volume across the control surface. This is known as a general energy equation for a control volume. \(\frac{δQ}{δt}-\frac{δW}{δt}=\frac{∂}{∂t}cv (u_{i}+\frac{V^{2}}{2}+\frac{p}{Ï}+gz)ÏdV+cs (u_{i}+\frac{V^{2}}{2}+\frac{p}{Ï}+gz)ÏVdA\) This equation holds good for non-uniform flow also. | Comments | Active | |
| 8 | Uniform flow occurs when | the flow is steady | the flow is streamline | size and shape of the cross section in a particular length remain constant | size and cross section change uniformly along length | c | Uniform flow means the velocity of the fluid at every point in the flow is the same, not just at a given instant, but along the length of flow. ï‚· for uniform flow to occur, the cross-sectional area of the flow path (such as a pipe or channel) must remain constant in size and shape over the considered length. | Comments | Active | |
| 9 | The pressure drop for a relatively low Reynolds number flow in a 600 mm, 30 m long pipeline is 70 kPa. What is the wall shear stress? | 0 | 350 Pa | 700 Pa | 1400 Pa | b | \(Pressure=70 Kpa, length=30m, diameter of pipe=600mm=0.6m, \) \(shear stress τ=\frac{dp}{dx}×\frac{R}{2}=\frac{70×10^{3}×0.3}{30×2}=350Pa \) | Comments | Active | |
| 10 | Which phenomenon will occur when the value at the discharge end of a pipe connected to a reservoir is suddenly closed? | Cavitation | Erosion | Hammering | Surging | c | A water hammer commonly occurs when a valve closes suddenly at an end of a pipeline system, and a pressure wave propagates in the pipe. It is also called hydraulic shock. | Comments | Active | |
| 11 | Which of the following water turbines does not require a draft tube? | Propeller turbine | Pelton Turbine | Kaplan turbine | Francis turbine | b | A draft tube is not required for a Pelton turbine as it is designed to operate without a draft tube. Draft tube is a part of reaction turbine. | Comments | Active | |
| 12 | The overall efficiency of a Pelton turbine is 70%. If the mechanical efficiency is 85%, what is its hydraulic efficiency? | 0.824 | 0.595 | 0.723 | 0.815 | a | overall efficiency= hydraulic efficiency X mechanical efficiency Hydraulic Efficiency= 0.70/0.85= 0.824 | Comments | Active | |
| 13 | Why is multi-staging in centrifugal pumps used? | For high flow rate | For high head | For high speed | For high efficiency | b | Multistaging in centrifugal pump increases head while discharge remain same. In a multi-stage centrifugal pump, multiple impellers are arranged in series. | Comments | Active | |
| 14 | Which one of the statements is correct for a forced vortex? | Turns in an opposite direction to a free vortex | Always occurs in conjunction with a free vortex | Has the linear velocity directly proportional to the radius | Has the linear velocity inversely proportional to the radius | c | For forced vortex flow, \(v=rω,  vâˆr \) For free vortex flow, \(vâˆ1/r\) | Comments | Active | |
| 15 | If α is the rake angle of the cutting tool, φ is the shear angle, and θ is the cutting velocity, then the velocity of the chip sliding along the shear plane is given by: | (θ * cos α) / (sin(φ - α)) | (θ * sin α) / (sin(φ - α)) | (θ * sin α) / (cos(φ - α)) | (θ * cos α) / (cos(φ - α)) | a | In orthogonal metal cutting analysis: Cutting velocity (V) is the velocity of the tool relative to the workpiece. Shear velocity (Vₛ) is the velocity at which the material shears along the shear plane. Using geometry and velocity triangle from Merchant’s theory: \(V_{s}=\frac{V cosα}{sin(∅-α)}\) | Comments | Active | |
| 16 | The overall efficiency of Pelton wheel is about | 0.55 | 0.65 | 0.85 | 0.99 | c | The efficiency of any mechanical device is defined as the ratio of power output to energy input. The overall efficiency of a turbine is the measure of the performance of the turbine. The overall efficiency of Pelton wheel is approximately 0.85. | Comments | Active | |
| 17 | In case of reaction turbine | P1 = P2 | P1 > P2 | P1 < P2 | None of these | b |  We can see from the stage diagram that direction is altered in the fixed blades as well as it is expanded to higher velocity while pressure reduces in both the fixed as well as moving blades, i.e. Pâ‚ > Pâ‚‚ | Comments | Active | |
| 18 | When there is no air left blow the nappe, it is known as | free nappe | depressed nappe | adhering nappe | All option are correct | c | Types of Nappe based on air below it: Free Nappe: Air is present under the nappe (ventilated). Atmospheric pressure prevails. Normal discharge rate. Depressed Nappe Partial vacuum forms as air is not replenished. Nappe is drawn closer to the weir. Slightly higher discharge (~6–7% more). Adhering (or Clinging) Nappe No air is left below the nappe. Nappe sticks to the weir downstream face. Significantly higher discharge (~25–30% more).    | Comments | Active | |
| 19 | The cross section of cippoletti weir is | rectangular | triangular | trapezoidal | None of these | c | A weir which the water level on the downstream side of a weir is above the crest of the weir is called submerged weir or Drowned weir.  The Cippoletti weir is a trapezoidal weir, having side slopes 1 horizontal to 4 vertical. The purpose of the slope, on the sides, is to obtain an increased discharge through the triangular portions of the weir, which otherwise would have been decreased due to end contractions in the case of rectangular weirs. A type of contracted weir that is related to the rectangular sharp-crested weir is Cippoletti weir, which has a trapezoidal cross-section with side slopes 1: 4 (H: V).  | Comments | Active | |
| 20 | If a thin plate is held normal to the flow, the viscous drag on it is | maximum | minimum | zero | None of these | c | • Viscous force is experienced if the fluid flows along the surface of the plate. • When a plate is held normal to the flow, the water hits the plate perpendicular and wake formation takes place behind the plate which leads to the pressure drag. • Since the flow does not take place along the plate, the viscous drag on the plate is zero. Plate held parallel to the flow only viscous drag takes place. \(→\) Plate held be normal to the flow only pressure drag takes place. \(→\) | Comments | Active | |
| 21 | The lower critical Reynolds number is approximately equal to | 100 | 200 | 1000 | 2000 | d | The Reynolds number at and below which the flow remains laminar is called lower critical Reynolds number. The Reynolds number at and above which the flow is turbulent is called the upper critical Reynold number. For flow in circular pipes: • Laminar : Re 2000 \(≤\) • Transitional: 2000 < Re < 4000 • Turbulent: Re 4000 \(≥\) | Comments | Active | |
| 22 | The length of mouthpiece as-compared to diameter is | 5 to 6 times | 6 to 8 times | 2 to 3 times | 1 to 1.5 times | c | A mouthpiece is an attachment in the form of a small tube or pipe fixed to the orifice; the length of the pipe extension is usually 2 to 3 times the orifice diameter.  | Comments | Active | |
| 23 | A manometer is used to measure | velocity of flow in channel | atmospheric pressure | pressure in pipes | None of these | c | A manometer is a device that we use to measure the pressure of the pipelines (can be of gas, water, liquid, etc.) Also, it is usually referred to as a U-shaped tube that is filled with a liquid. | Comments | Active | |
| 24 | Vertical distribution of velocity in an open channel for laminar flow can be assumed as | offer no resistance to change of shape | offer resistance to change of shape | offer least resistance to compression | None of these | c |  • The velocity 'u' varies parabolically from zero at the bottom boundary to a maximum at the surface. • On the other hand, the velocity gradient du/dy varies linearly from a maximum at the bottom to zero at the free surface, because it is directly proportional to the shear stress. \(τ=u\frac{du}{dy}\) • Vertical distribution of velocity in an open channel for laminar flow can be assumed as it offers least resistance to compression. • The fluid is a substance that offers no resistance to change of shape. So it is a fluid property, not a variation of fluid flow parameters. But liquids offer considerable resistance to compression that's why we study the compressibility effect of the fluid. | Comments | Active | |
| 25 | Pressure inside a water droplet is given by the relation | Ï=4σ/d | Ï=3σ/d | Ï=8σ/d | Ï=16σ/d | a | The pressure inside a soap bubble is given by: \(p=\frac{8σ}{d}\) The pressure inside a liquid jet is given by: \(p=\frac{2σ}{d}\) | Comments | Active | |
| 26 | The branch of Engineering Science, which deals with water at rest or in motion is called | hydraulics | fluid mechanics | applied mechanics | kinematics | a | • Fluid mechanics is the branch of physics that studies the mechanics of fluids (liquids, gases, and plasmas) and the forces on them. • Fluid mechanics deals with the study of all fluids under static and dynamic situations. • Whereas Hydraulics deals with only liquids. • So the correct option will be Hydraulics in this case. | Comments | Active | |
| 27 | The hydraulic mean depth for a rectangular section is: Where, b = Width of rectangular section d = Depth of water | bd / 2(d+b) | bd / (d+b) | 2bd / (d+b) | bd / b+2d | d | The hydraulic mean depth or hydraulic radius is the ratio of area of flow to the wetted perimeter. It is represented by m. \(m=\frac{Area of flow}{Wetted perimeter}\) For rectangular section  The flow area of a rectangular channel: A = b d \(×\) Wetted perimeter of a rectangular channel: P = b + (2 d) \(×\) \(m=\frac{b×d}{b+(2×d)}\) | Comments | Active | |
| 28 | One dimension flow is one | Involving zero transverse components of flow | in uniform flow | in steady uniform flow | None of these | a | A one-dimensional flow is one which involves zero transverse components of flow. One-dimensional flow: It is the flow where all the flow parameters may be expressed as functions of time and one space coordinate only. The single space coordinate is usually the distance measured along the center line (not necessarily straight) in which the fluid is flowing. Example: the flow in a pipe is considered one - dimensional when variations of pressure and velocity occur along the length of the pipe, but any variation over the cross-section is assumed negligible. | Comments | Active | |
| 29 | In the centrifugal pump, maximum efficiency is obtained when the blades are | bent backward | bent forward | straight | berit to have aerofoil section | b | Forward Curved Vanes Small Volume High – Pressure ratio High speed, High noise, Low Efficiency Backward curved Vanes Large Volume and size Low to High – Pressure Ratio High Efficiency, Low Noise Radial Vanes Medium Volume and Size Medium to High-Pressure ratio Good Efficiency | Comments | Active | |
| 30 | While starting the centrifugal pump | delivery valve is kept wide open | delivery valve is kept closed | inlet valve is kept closed | delivery valve is opened slightly | b |  The delivery valve connects the pump outlet and the delivery pipe. It remains closed before the pump is switched on. When the pump builds up its pressure, it is opened and can be used to control or vary the discharge. The delivery valve is closed again before the pump is switched off so that the delivery pressure is not transmitted to the suction pipe (otherwise there may be some backflow from the reservoir). | Comments | Active | |
| 31 | In cooling tower, water is cooled by the process of: | condensation | fusion | evaporation | sublimation | c | A cooling tower is a special type of heat exchanger in which the warm water and the air are brought in direct contact for ‘evaporative cooling’. Cooling towers may either use the evaporation of water to remove process heat and cool the working fluid to near the wet bulb air temperature or,in the case of closed circuit dry cooling towers, rely solely on air to cool the working fluid to near the dry-bulb air temperature. | Comments | Active | |
| 32 | Consider the following properties: (1) Entropy (2) Viscosity (3) Temperature (4) Specific heat at constant volume Which of the above properties of a system is/are extensive? | Only 1 | Only 1 and 2 | Only 2, 3 and 4 | Only 1, 2 and 4 | a | Only entropy is an extensive property among the given options. Others are intensive. | Comments | Active | |
| 33 | The internal energy of a gas obeying van der Waals, equation (p + a/V2.(V-b)= RT depends on its | temperature | temperature and pressure | temperature and specific volume | pressure and specific volume | c | The internal energy U of an ideal gas depends only on temperature, i.e., U=f (T) because there are no intermolecular interactions. However, the van der Waals gas includes intermolecular attractions (via the a/V2 term), which introduce a volume dependence in internal energy due to potential energy of interactions. Specifically, the internal energy U for van der Waals gas is: U=f (T, V) | Comments | Active | |
| 34 | Constant volume process is | isopiestic process | hyperbolic process | isometric process | polytropic process | c | A constant volume process is one in which the volume remains unchanged throughout the process. The correct thermodynamic term for this is the isometric or isochoric process. | Comments | Active | |
| 35 | The first and second laws of thermodynamics help to derive the following properties, respectively. | pressure and temperature | temperature and entropy | pressure and entropy | temperature and enthalpy | b | The first law of thermodynamics deals with energy conservation: \(δQ=∆U+δW\) It helps define temperature as a property arising from energy changes in a reversible process. The second law of thermodynamics introduces the concept of entropy (S). It states: \(δQ_{rev}=TdS\) This defines entropy as a property of the system and is critical to determining the feasibility and direction of processes. | Comments | Active | |
| 36 | Internal combustion engine works on | first law of thermodynamics | second law of thermodynamics | zeroth law of thermodynamics | None of these | a | An internal combustion engine is a heat engine that converts heat energy into mechanical work by burning fuel inside the engine cylinder. It fundamentally operates based on the first law of thermodynamics, which is the law of energy conservation: Energy input=Work output + Heat rejected Heat is supplied at a high temperature by combustion of fuel, producing work during expansion, while some heat is rejected to the surroundings. Although the second law of thermodynamics governs the direction of heat transfer and limits efficiency, the first law explains the energy balance and work output in the engine. | Comments | Active | |
| 37 | Molar volume is equal to | 22.41 m3 at NTP | 2.241 m3 at NTP | 29.27 m3 at NTP | 1.03 m3 at NTP | a | Molar volume is the volume occupied by one mole of an ideal gas at a given temperature and pressure.  At NTP (Normal Temperature and Pressure), which is 0°C (273.15 K) and 1 atm (101.325 kPa),  The molar volume of an ideal gas is 22.41 liters (L) or 0.02241 m³ (cubic meters). | Comments | Active | |
| 38 | The general gas equation is given as | pv = Mt | p/V=mT | PV =mRT | P/V = mRT | c | The general gas equation or ideal gas equation is commonly written as: PV=mRT Where: P = pressure V = volume m = mass of the gas R = specific gas constant T = absolute temperature | Comments | Active | |
| 39 | The major constituents of a fuel are | carbon, hydrogen and oxygen | carbon, hydrogen, oxygen and nitrogen | carbon, oxygen, hydrogen, nitrogen, phosphorus and sulphur | Carbon and hydrogen | d | The major combustible constituents in most fuels are carbon (C) and hydrogen (H). These two elements contribute most to the fuel’s calorific value as they react with oxygen to release energy. Other elements such as sulfur (S) may be present in smaller amounts and can cause pollution when burned. Elements like oxygen (O), nitrogen (N), and phosphorus (P) are generally impurities or part of non-combustible matter in the fuel, not the main combustible constituents. Therefore, carbon and hydrogen are the primary fuel components responsible for combustion. | Comments | Active | |
| 40 | Which one of the following is the steady flow energy equation for a boiler? (1) \(h_{1}+\frac{v12}{2g}=h_{2}+\frac{v22}{2g}\) (2) Q = (hâ‚‚ − hâ‚) (3) \(h_{1}+\frac{v12}{2g}+Q=h_{2}+\frac{v22}{2g}+W\) (4) Wâ‚› = (hâ‚‚ − hâ‚) + Q | 1 only | 2 only | 3 only | 4 only | b | A boiler is a device where heat is added to a flowing fluid (usually water to generate steam), without any work being done on or by the system. Assuming steady flow and neglecting potential energy changes and work interactions (no shaft work), the steady flow energy equation simplifies to: Q = (hâ‚‚ − hâ‚) | Comments | Active | |
| 41 | Gear tooth Vernier is used | to measure the addendum | to measure the addendum and dedendum | to measure the circular pitch | to measure the pitch line thickness of both | d | A Gear Tooth Vernier is a precise measuring instrument used primarily to measure the pitch line thickness of gear teeth. ï‚· The pitch line thickness is the thickness of the tooth measured along the pitch circle. ï‚· Measuring pitch line thickness accurately is essential to check the correctness of the gear tooth profile and ensure proper meshing. ï‚· It cannot directly measure addendum, dedendum, or circular pitch, although those can be inferred by other measurements. ï‚· The instrument consists of a vernier scale calibrated for gear tooth dimensions. | Comments | Active | |
| 42 | Ceramic tools are fixed to tool by the following process | soldering | brazing | welding | clamping | b | • Ceramic tools are fixed to the tool using the brazing process. Ceramic tools normally have higher tool life than carbide tools. • Cutting tools play a vital role in the efficiency and reliability of manufacturing processes. Super abrasive materials containing diamond and or/cubic boron nitride provide enhanced machining performance over conventional materials and are widely used as tool inserts. • Due to the high material cost of super abrasives, fabrication techniques have been developed and optimized to reduce the number of super abrasives in the insert. • The super abrasive tip is attached to a corner or edge of the insert body by a brazing process. Brazing provides enough binding force to withstand the cutting forces and heat and is a convenient method to attach small abrasive tips. | Comments | Active | |
| 43 | Graphite moulds are generally used for continuous casting method because | the metals wet the mould slightly | only a small film of lubricating oil is required | they are self-lubricating | they are comparatively cheaper | c | The continuous casting process is also known as the Strand casting process is used to produce billets, blooms, or slabs much longer in length than obtained by any process. It was initially developed for non-ferrous metal strips. Now continuous casting process is used in steel production with improvement in efficiency and productivity with significant cost reduction. Steps in continuous casting: • The molten metal is transferred from a holding furnace into a special label called tundish. • Molten metal from tundish is poured into the top of the bottomless graphite mould of the desired shape. • The molten metal gets gradually solidified as it is poured • The obtained parts are then subsequently rolled into rolling mills. The mould is open at both ends and is kept filled at all times. The metal at the lower end of the mould is cooled so that it gets solidified and the solid product thus formed is extracted in a continuous length from its lower end. The shapes of the casting produced from continuous casting are round ingots, slabs, square billets as well as hex-billets. Graphite is a solid lubricant. Low friction between the mold surface and the solidifying metal ensures smooth withdrawal (extraction) of the casting without cracks and minimizes the thickness of the defective peripheral skin. The specific layered crystal structure of graphite determines its self-lubricating properties providing low friction without additional oil lubrication. | Comments | Active | |
| 44 | The tool life of a tool is said to be over if | The complete failure of cutting edge | Poor surface finish | Increase in cutting force | Chatter 5. Overheating and fuming due to excessive friction 6. Chips become ribbony, stingy, and difficult to dispose off. | d | Tool life criteria in production | Comments | Active | |
| 45 | To which of the following is the proof stress related? | Elongation | Necking | Yielding | Fracture | c | Proof stress (also called offset yield strength) is used to determine the yield point of materials that do not exhibit a clear yield point on their stress-strain curve. ï‚· it is defined as the stress required to cause a specified amount of permanent strain (usually 0.2%) in the material. ï‚· This measure corresponds to the beginning of plastic deformation, i.e., yielding.  | Comments | Active | |
| 46 | ________ is not a ceramic material | Glass | Bakelite | Clay | Aluminium oxide | b | Material Classification Reason Glass Ceramic Amorphous solid made from silica; non-metallic, inorganic Clay Ceramic Natural material composed mainly of hydrous aluminium silicates Aluminium oxide (Al₂O₃) Ceramic A key engineering ceramic, used for its hardness, high melting point, and corrosion resistance Bakelite Polymer (Plastic) Thermosetting polymer, used as an electrical insulator — not a ceramic | Comments | Active | |
| 47 | _______ surface hardening process gives maximum hardness to the surface. | Pack hardening | Nitriding | Cyaniding | Induction hardening | b | Process Surface Hardness Key Notes Pack hardening Moderate Carburizing in solid medium Nitriding Highest Forms hard nitrides; no quenching needed Cyaniding High but less than nitriding Uses cyanide salt bath; fast process Induction hardening Depends on steel & heating depth Surface is heated and quenched rapidly | Comments | Active | |
| 48 | Which formula is the CORRECT depiction of slope of adiabatic curve? | \(\frac{dP}{dV}=-γ\frac{P}{V}\) | \(\frac{dP}{dV}=\frac{P}{V}\) | \(\frac{dP}{dV}=-\frac{P}{V}\) | \(\frac{dP}{dV}=γ\frac{P}{V}\) | a | Adiabatic curve slope, \(\frac{dP}{dV}=-γ\frac{P}{V}\) | Comments | Active | |
| 49 | What the region (3) in the P – V diagram given below is called?  | Compressed liquid region | Saturated liquid vapour region | Solid – liquid region | Superheated region | d |  | Comments | Active | |
| 50 | The Carnot engines are connected in a series with working extreme temperatures as 2000 K and 200 K respectively. What is the efficiency of the first Carnot engine (in%)? | 0 | 50 | 68 | 90 | c | Both engines have same efficiency for, this intermediate temperature \(T_{m}=T_{h}×T_{L}=2000×200\) \(T_{m}=632K\) \(=η_{I}=1=\frac{T_{m}}{T_{H}}=1-\frac{632}{2000}=68.4%\) | Comments | Active | |
| 51 | What is the drop in enthalpy (in kJ/kg) for a steam whistle which is perfectly insulated and does not work has an exit velocity of steam at 40 m/sec? | 0.8 | 8 | 80 | 800 | a | V=. \(2000×(h_{1}-h_{2})\) 40 \(×40=2000×(h_{1}-h_{2}). \) KJ/kg \((h_{1}-h_{2})=0.8\) | Comments | Active | |
| 52 | A gas is compressed frictionless from an initial state of y m3 and 1 MPa to a final state of 0.2 m3 and 1 MPa. There is a transfer of 40 kJ of heat from the gas and a drop of 20kJ in internal energy. What is the initial state volume of the gas? | 0.2 | 0.22 | 19.8 | 20.2 | b | Given \(P_{1}=1MPa, V_{1}=ym^{3}\) \(P_{2}=1MPa, V_{2}=0.2m^{3}\) Heat transfer = - 40 KJ Change in internal energy \((U_{2}-U_{1})=-20KJ (drop)\) According to 1st law of thermodynamics \(δQ=dU+δW\) \(-40=-20+δW\) \(δW=-20KJ\) \(δW=-pdv=p(V_{2}-V_{1})\) \(δW=p(V_{2}-V_{1})=-20KJ\) \(100kPa×(0.2-y)m^{3}=-20KJ\) \(0.2-y=-\frac{20}{100}=-0.02\) \(y=0.22\) \(∴Initial volume (y)=0.22m^{3}\) | Comments | Active | |
| 53 | What does the term ‘quality’ indicate? | Mass fraction of liquid vapour mixture | Mass fraction of vapour in a liquid vapour mixture | Both mass fraction of liquid in a liquid vapour mixture and Mass fraction of vapour in a liquid mixture | None of these | b | The quality or dryness fraction is defined as the mass of vapour divided by the total mass of the vapour-liquid mixture. It represents the mass fraction of vapour in a wet mixture. | Comments | Active | |
| 54 | At triple point for water, which of the following term is not equal to zero? | Enthalpy | Entropy | Internal energy | None of these | a | So for water, the triple point (T = 0.01°C & P = 611 Pa) is selected as reference a state, where the “Internal energy†(u) and “Entropy†(s) of saturated liquid are assigned a zero value. Therefore Enthalpy h ≠0 at triple point. | Comments | Active | |
| 55 | Which relation clearly depicts the absolute thermodynamic temperature scale? | \(\frac{Q_{1}}{Q_{2}}=\frac{T_{1}}{T_{2}}\) | \(\frac{Q_{2}}{Q_{1}}=\frac{T_{1}}{T_{2}}\) | and \(\frac{Q_{1}}{Q_{2}}=\frac{T_{1}}{T_{2}}\) \(\frac{Q_{2}}{Q_{1}}=\frac{T_{1}}{T_{2}}\) | None of these | a | A temperature scale that is independent of the properties of the substance that rae used to measure temperature is called a thermodynamic temperature scale. \(\frac{Q_{1}}{Q_{2}}=\frac{T_{1}}{T_{2}}\) | Comments | Active | |
| 56 | A reversible engine, which operates between temperature range of 1200 K and 600 K, rejects 30% of heat to the sink comes under the classification of? | Carnot engine | Petrol engine | Diesel engine | None of these | d | Reversible engine or carnot engine efficiency depend upon temperature range. Given: \(T_{min}=600K \) \(T_{max}=1200 K\) Efficiency of Carnot engine= \(\frac{T_{max}-T_{min}}{T_{max}}=\frac{1200-600}{1200}=0.5=50% \) Let heat supplied from source is 30% of heat rejects to sink. \(Q_{H}=Q, \) . \(Q_{L}=0.3Q \) \(W_{net}=Q_{H}-Q_{L}=0.7Q \) Efficiency of heat engine =0.7 such engine is not possible | Comments | Active | |
| 57 | Which of the following statement is CORRECT for work output of an ideal Otto cycle? | Decreases with an increase in adiabatic index | Decreases with an increase in compression ratio | Increases with an increase in pressure ratio | Both Decrease with an increase in adiabatic index and decrease with an increase in compression ratio | c | The efficiency of Otto cycle is given by: \(η=1-\frac{1}{r^{γ-1}}\) Where = efficiency, r = compression ratio = = specific heat ration = \( η\) \(\frac{V_{1}}{V_{2}}, γ\) \(\frac{C_{p}}{C_{v}}\) \(η=\frac{W}{Q}\) Where Q = heat supply, W = work output So, from the above, \(ηâˆW\) Therefore, efficiency (work output) will increases if Compression ration increases Adiabatic index increase | Comments | Active | |
| 58 | Which of the substance can be classified as pure substance? | Humid air | Soil | Sand in water | Baking soda | d | Pure substance is a substance that has a fixed chemical composition and distinctive chemical properties, uniform throughout in both chemical and physical structure. In above options only baking soda is a pure substance. | Comments | Active | |
| 59 | Which term best represents the calorific value of gaseous fuel? | kcal | kcal/kg | kcal/m2 | kcal/Nm3 | d | Calorific value of a fuel is the amount of heat energy released when a unit quantity of fuel is completely burned.  For gaseous fuels, the quantity is measured by volume, not weight. Calorific Value (gaseous fuel) = kcal/Nm3 | Comments | Active | |
| 60 | Which of the following is TRUE for supercharging? | Supplying higher density of air at intake than the surrounding | Providing forced cool air at intake | Raising exhaust pressure | Supplying excess fuel for raising load | a | The purpose of supercharging an engine is to raise the density of the air charge before it enters the cylinders. Thus, the increased mass of air will be inducted which will then be compressed in each cylinder. This makes more oxygen available for combustion. Consequently, more air and fuel per cylinder will be forced into the cylinder, and this can be effectively burnt during the combustion process to raise the engine power output to a higher value. Purpose of supercharging: Provides better mixing of the air – fuel mixture, Increase the volumetric efficiency, Increase the power output of the engine It tends to increase the possibility of detonation in an S.I. engine and lesser the possibility of knocking in a C.I. engine. | Comments | Active | |
| 61 | How self-ignition temperature of petrol be compared to that of diesel? | Higher | Lower | Same | Insufficient data | a | Self – ignition Temperature (SIT) is the lowest temperature at which a diesel/Petrol will ignite itself without the presence of a spark or flame. The self-ignition Temperature of diesel is 210℃ and that of Petrol varies from 247℃ to 280℃. The lower SIT of diesel is the reason behind the absence of a spark plug in a diesel engine. The temperature of the fuel – air mixture in a diesel engine running at 1 : 20 compression ratio can go as high as 700℃, since this temperature is much higher than the Self Ignition Temperature, diesel automatically catches fire at 210℃. Petrol engines have lesser compression ratios compared to diesel engines (6 – 10) and they rely on spark plugs for the source of ignition. | Comments | Active | |
| 62 | Which of the following method of fuel ignition is used in diesel engine? | Spark plug | Fuel injector | Combustion chamber | Heat form compressed air | d | In a diesel engine, only air is compressed, and fuel is injected at the end of the compression stroke. Due to the high temperature of compressed air only, the fuel is ignited. On the other hand, the petrol engine uses a spark plug for ignition. The practically used compression ratio for the Diesel engine is 16 – 20. The practically used compression ratio for the Petrol engine is 6 – 10. | Comments | Active | |
| 63 | Which of the following is INCORRECT for reversible adiabatic process? | dS = 0 | S is constant | dQ = 0 | Q is not constant | d | During an adiabatic process, there is no exchange of energy between system and its surrounding Thus, Entropy change is zero in only those adiabatic process which is also reversible. \(∂Q=0\) | Comments | Active | |
| 64 | Which of the following represents an impossible cycle? | \(\frac{dQ}{T}=0\) | \(\frac{dQ}{T}>0\) | \(\frac{dQ}{T}<0\) | None of these | b | According to Clausius inequality \(\frac{∂Q}{T}≤0\) | Comments | Active | |
| 65 | Which of the following is the other name of isentropic process? | a reversible isothermal process | a reversible adiabatic process | a reversible isobaric process | a reversible isochoric process | b | An isentropic process is also known as a reversible adiabatic process. As this is an adiabatic process so no heat enters or leaves the system. | Comments | Active | |
| 66 | What happens to the specific volume of water when it is heated at 0ᵒC? | Decreases steadily | Increases steadily | First increases then decreases | First decreases then increases | d | When water is heated at 0°C the density of water increases and as a result the specific volume of water decreases and reaches the minimum. Afterwards the specific volume of water increases once the temperature exceeds 4°C. | Comments | Active | |
| 67 | What is the value of latent heat of vaporization at critical point? | Zero | Greater than zero | Insufficient data | Less than zero | a | At a critical point, latent heat of vaporization is zero because at critical point no energy is required to convert the liquid phase to the gaseous phase. | Comments | Active | |
| 68 | If the diameter of the column is reduced by 30%, then what will be the change in the Euler’s buckling load (in %)? | 25 | 50 | 75 | 100 | c | \(P=\frac{Ï€^{2}EI}{Le2}→PâˆIâˆd^{4}\) \(\frac{P_{2}}{P_{1}}=\frac{d24}{d14}=(\frac{d_{2}}{d_{1}})^{4}=(\frac{0.7d}{d})^{4}=0.24\) \(P_{2}=0.24P_{1}\) Percentage reduction 76% \(=\frac{P_{1}-P_{2}}{P_{1}}×100=\frac{P_{1}-0.24p_{1}}{P_{1}}×100=\) | Comments | Active | |
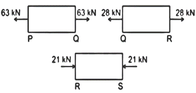
| 69 | A cross sectional bar of area 700 mm2 is subjected to an axial load as shown in the figure below. What is the value of stress (MPa) in the sections RS?  | 30 | 40 | 50 | 60 | a | Consider a section in PQ, QR and RS segment respectively and find the load acting on these segments by the algebraic sum of loads on either side of the section considered. PPQ = 63 KN, PQR = 63-35 = 28 kN, PRS =-21 kN Free body diagram of different segments shown below  For section RS, Stress = \(\frac{21×10^{3}}{700}=30 Mpa\) | Comments | Active | |
| 70 | Calculate the total angle of twist for a stepped shaft which is subjected to the torque (T) as shown in the figure below.  | \(\frac{TI}{πGd^{4}}\) | \(\frac{66TI}{πGd^{4}}\) | \(\frac{TI}{66Gd^{4}}\) | \(\frac{36TI}{πGd^{4}}\) | b | \(\frac{T}{J}=\frac{Gθ}{l}, θ=\frac{Tl}{GJ}\) Total angle of twist \(θ=θ_{1}+θ_{2}, \) \(Tl/[\frac{Gπ(2d)^{4}}{32}\)+T2l/[\frac{Gπd^{4}}{32}]] = \(\frac{2Tl}{Gπd^{4}}+\frac{64Tl}{Gπd^{4}}=\frac{66Tl}{Gπd^{4}}\) | Comments | Active | |
| 71 | Consider the loaded beam as shown in the figure below. Determine the portion of the beam which is subjected to pure bending.  | DE | CD | BD | AE | c |   Shear force is zero in segment BD, so this portion will be subjected to pure bending moment. | Comments | Active | |
| 72 | Choose the INCORRECT option for the equation of elongation of a uniform rod having length L due to the self weight W. | \(δ=\frac{WL}{2AE}\) | \(δ=\frac{2WL}{AE}\) | \(δ=\frac{WL}{AE}\) | and both \(δ=\frac{2WL}{AE}\) \(δ=\frac{WL}{AE}\) | d | Elongation of a uniform bar due to self load is , \(\frac{WL}{2AE}\) Where, W=applied load, L=length of the bar A=cross section area of bar E=modulus of elasticity | Comments | Active | |
| 73 | What will be the change in length (mm) of a steel bar having a square cross section of dimension 40 mm × 40 mm, which is subjected to an axial compressive load of 250 kN. If the length of the bar is 4 m and modulus of elasticity is E = 250 GPa? | 2.5 | 1. 25 | 2 | 1.5 | a | \( ∆L=\frac{PL}{AE}=\frac{250×10^{3}×4×10^{3}}{40×40×250×10^{3}}=2.5mm\) \(∆L=change in length or deformation in bar\) P=applied load L=length of the bar A=Area of the cross section E=modulus of elasticity | Comments | Active | |
| 74 | If the equivalent torque in a shaft is 500 Nm and the bending moment is 300 Nm. Calculate the magnitude of the required torque and the equivalent bending moment. | 500 Nm and 400 Nm | 400 Nm and 400 Nm | 400 Nm and 500 Nm | 300 Nm and 400 Nm | b | The equivalent bending moment for a shaft which is subjected to the combined twisting moment (T) and bending moment (M) is given by the equation: ……………(1) \(M_{eq}=\frac{1}{2}[M+M^{2}+T^{2}\) The equivalent torque is given by: \(T_{eq}=(M^{2}+T^{2})………….(2)\) Given \(T_{eq}=500Nm, M=300 Nm\) From (2) \(500=300^{2}+T^{2}\) T = 400 Nm From (1) \(M_{eq}=\frac{1}{2}[300+500)\) \(M_{eq}=400 Nm\) | Comments | Active | |
| 75 | If the stress acting on a point is in the three dimensions, then what is the number of components in a stress tensor required for defining that stress? | 3 | 4 | 6 | 9 | d | Total 9 components are required in stress tensor for defining that stress (σx, σy, σz, τxy, τyx, τxz, τzx, τzy, τyz). But number of independent components will be 6 only σx, σy, σz, ( τxy = τyx ), (τxz = τzx), ( τzy = τyz). \(σ=σ_{y}=(σ_{x}τ_{yx}τ_{zx}τ_{xy}σ_{y}τ_{zy}τ_{xz}τ_{yz} σ_{z})\) | Comments | Active | |
| 76 | The conditions for the thermal stress in a body are given below. | 1 and 2 only | 1 and 3 only | 2 and 3 only | All option are correct | d | \( σ_{t}=Eα∆t\) Where, E= modulus of elasticity, coefficient of thermal expansion, \( α=\) Temperature difference \( ∆t=\) | Comments | Active | |
| 77 | A steel rod whose diameter is 2 cm and is 2 m long, experiences heating of temperature 30ᵒC to 150ᵒC The coefficient of thermal expansion is α = 12 × 10-6/ᵒC and Young’s modulus is 200 GPa If the rod has been restricted to its original position, then the thermal stress (MPa) developed will be _____________. | 234 | 256 | 288 | 300 | c | Change in temperature  = 150-30=120℃ \(∆T=T_{2}-T_{1}\) coefficient of thermal expansion = 12×10-6/ \((α)\) \(℃\) Youngs Modulus(E)= 200 GPa Thermal Stress \((σ_{T})=Eα∆T=200×10^{3}×12×10^{-6}×120\) =288 MPa | Comments | Active | |
| 78 | Choose the INCORRECT option for the Hooke’s law. | \(ε=\frac{σ}{E}\) | \(σâˆÎµ\) | \(σ=Eε\) | \(σ=ε\) | d | Hook's law states that the stress developed in the material under uniaxial loading is directly proportional to strain developed up to the proportional limit. \(σâˆÎµ\) \(σ=Eε\) σ= Εε | Comments | Active | |
| 79 | Calculate the value of modulus of rigidity (N/mm2) if the Poisson’s ratio is 0.25 and modulus of elasticity for the material is 200 N/mm2? | 50 | 80 | 100 | 150 | b | given, poisson ratio =0.25, modulus of elasticity E=200 N/mm2 \( μ\) \(E=2C(1+μ)\) N/mm2 \(200=2C(1+.25)=80\) Modulus of rigidity C= N/mm2 \(80\) | Comments | Active | |
| 80 | The beam which has one _______ end and other _______ end is known as cantilever beam. | fixed, free | fixed, hinged | hinged free | None of these | a | A cantilever beam is a structural element that extends horizontally and is supported on only one end and the other end is free. | Comments | Active | |
| 81 | When the position of the body is either in rest or in uniform velocity, then the body is said to be in the _____. | rest | uniform motion | rotational motion | equilibrium | d | When a body is either at rest or in uniform velocity it will have zero acceleration. By using Newton’s second law we can say that Net force will be equal to zero. This implies that the body is in equilibrium. | Comments | Active | |
| 82 | When the friction comes into action between the two running parts of a machine, it results in the production of | light | oil | energy | heat | d | Depending upon the relative motion between the parts of the machine, friction can be of two types: • Static Friction - When there is no relative motion between the parts • Kinetic Friction - When there is a relative motion between the parts When two bodies rub against each other then they produce the energy which we call as heat, we can understand this by taking analogy of rubbing of hands. Therefore, when friction is present between two running parts it will produce heat (Which is energy in transit) | Comments | Active | |
| 83 | Which of the following cam follower has the highest wear rate? | Knife edge follower | Roller follower | Flat face follower | Spherical faced follower | a | Knife edge follower: In a knife-edge follower, a sharp knife edge is in contact with the cam. This type of follower is very little in practical use due to the high rate of wear at the knife edge. However, cam of any shape cam works with it. | Comments | Active | |
| 84 | Which ratio defines the height of a watt governor to that of the porter governor for equal arm and link lengths, where m is the mass of the ball and M is the mass of the sleeve? | \(\frac{m}{M+m}\) | \(\frac{M}{M+m}\) | \(\frac{M+m}{m}\) | \(\frac{M+m}{M}\) | a | For Porter Governor: When the length of arms is equal to the length of links N2 = \(\frac{m}{M+m}×\frac{895}{h}\) For Watt Governor N2 = \(\frac{895}{h}\) The ratio of the height of a Watt Governor to the height of a porter governor (when the length of arms and links are equal) is . \(\frac{m}{m+M}\) | Comments | Active | |
| 85 | How is sensitivity and stability related to governor? | Directly proportional | Inversely proportional | Not related | Cannot be determined | b | Stability: A governor is said to be stable when for each speed within the working range there is only one radius of rotation of the fly-ball at which the governor is in equilibrium. The stability and sensitivity of a governor are inversely proportional to each other. | Comments | Active | |
| 86 | What will be the change in the vertical height (in m) of a watt governor, when the speed is decreased from 50 rpm to 25 rpm? | 0.358 | 1.074 | 1.432 | 1.79 | b | Given \(N_{1}=50 rpm \) \(N_{2}=25 rpm\) For watt governor \(h=\frac{895}{N^{2}}meters\) \(h_{2}-h_{1}=895(\frac{1}{N22}-\frac{1}{N12})\) \(=895(\frac{1}{25^{2}}-\frac{1}{50^{2}})\) \(h_{2}-h_{1}=1.074 mm\) | Comments | Active | |
| 87 | Which of the following is CORRECT for the train value of a gear train? | Speed of driver/speed of driven | Speed of driven/Speed of driver | Number of teeth on driven/number of teeth on driver | None of these | b | The speed ratio (or velocity ratio) of the gear train is the ratio of the speed of the driver to the speed of the driven or follower. While train value is reciprocal of speed ratio. That means train value is the ratio of the speed of the driven to the speed of the driver. | Comments | Active | |
| 88 | How the normal pitch (PN) and axial pitch (PC) related to a helical gear with helix angle α? | \(P_{C}=P_{N}-cosα\) | \(P_{C}=\frac{P_{N}}{cosα}\) | \(P_{N}=P_{C}-cosα\) | \(P_{N}=\frac{P_{C}}{cosα}\) | b | Normal pitch: It is the distance between similar faces of adjacent teeth along a helix on the pitch cylinders normal to the teeth. It is denoted by PN. The normal pitch may also be defined as the circular pitch in the normal plane which is a plane perpendicular to the teeth. Mathematically, from the given diagram, the normal pitch, PN = P(c)cos \(α\) PC = PN / cos \(α\) | Comments | Active | |
| 89 | Which of the following equation represents the frictional torque transmitted in a conical pivot bearing with radius R of shaft and α as the semi – single of the cone? | \(\frac{1}{2}×μ.W.Rcosec α\) | \(\frac{2}{3}×μ.W.Rcosec α\) | \(\frac{3}{4}×μ.W.Rcosec α\) | \(μ.W.Rcosec α\) | b | Frictional torque transmitted by conical pivot bearing is \(\frac{2}{3}×μ.W.Rcosec α\) Where, r is the radius of shaft and α as the semi – single of the cone. | Comments | Active | |
| 90 | Which of the following can said to be equivalent with the frictional torque transmitted by a cone clutch? | Flat pivot bearing | Flat collar bearing | Conical pivot bearing | Trapezoidal pivot bearing | d | Uniform Pressure Theory for Cone Clutch = \(\frac{2}{3}μWcosecα(\frac{r13-r23}{r12-r22})\) Uniform Wear Theory for cone clutch = \(\frac{1}{2}μWcosecα(r_{1}+r_{2}) \) Uniform Pressure Theory for Trapezoidal Clutch = \(\frac{2}{3}μWcosecα(\frac{r13-r23}{r12-r22})\) Uniform Wear Theory for Trapezoidal clutch = \(\frac{1}{2}μWcosecα(r_{1}+r_{2}) \) | Comments | Active | |
| 91 | Which kind of pair can attachment of a car mirror be classified into? | Rolling pair | Sliding pair | Spherical pair | Screw pair | c | Spherical pair: Two elements of a pair are connected in such a way that one element (with the spherical shape) turns or swivels about the other fixed element. e.g. the ball and socket joint, attachment of a car mirror, pen stand, etc | Comments | Active | |
| 92 | What is the velocity ratio for creep in the belt drive system for being the stress in tight side, being the stress on slack side and E is the young’s modulus of elasticity of the belt material? \(σ_{1}\) \(σ_{2}\) | \(\frac{N_{1}}{N_{2}}=\frac{d_{1}}{d_{2}}×\frac{E-σ_{2}}{E-σ_{1}}\) | \(\frac{N_{1}}{N_{2}}=\frac{d_{1}}{d_{2}}×\frac{E+σ_{2}}{E-σ_{1}}\) | \(\frac{N_{1}}{N_{2}}=\frac{d_{1}}{d_{2}}×\frac{E+σ_{2}}{E+σ_{1}}\) | \(\frac{N_{1}}{N_{2}}=\frac{d_{1}}{d_{2}}×\frac{E-σ_{2}}{E+σ_{1}}\) | d | When pulleys are rotating in a clockwise direction, the lower side of the belt becomes a tight side with tension (Tâ‚) and the upper side of the belt becomes a slack side with tension (T2). In the above-mentioned drive, when the belt passes from the lower side of the belt to the upper side of the belt, then the belt length will be contracted and on the contrary, if the belt passes from the upper side of the belt to the lower side of the belt, the length of the belt increases. Therefore, during the rotation of the belt, alternatively, the belt undergoes tension and compression, i.e. the belt elongates and contracts continuously during its operation. The expression uses terms that come from the relation between stress and strain considering the modulus of elasticity and creep effect. \((E±σ) \) This will create a difference in the speed of the belt and the relative motion between the belt and pulley is called creep. Velocity ratio for creep = \(\frac{N_{2}}{N_{1}}=\frac{d_{1}}{d_{2}}×\frac{E-σ_{2}}{E+σ_{1}}\) | Comments | Active | |
| 93 | Which term defines the coefficient of fluctuation of speed of a flywheel in terms of linear speeds? | \(\frac{2(V_{1}-V_{2})}{V_{1}+V_{2}}\) | \(\frac{2(V_{1}+V_{2})}{V_{1}-V_{2}}\) | \( \frac{V_{1}+V_{2}}{2(V_{1}-V_{2})}\) | \(\frac{V_{1}-V_{2}}{2(V_{1}+V_{2})}\) | a | The difference between the maximum and minimum speeds during a cycle is called the maximum fluctuation of spee(d) The ratio of the maximum fluctuation of speed to the mean speed is called the coefficient of fluctuation of speed (Cs) = \(\frac{2(V_{1}-V_{2})}{V_{1}+V_{2}}\) | Comments | Active | |
| 94 | Which of the following is TRUE for a flywheel which is retarding, if T is the torque on the crankshaft at any instant and T mean is the mean resisting torque? | T mean – T >0 | T – Tmean >0 | Tmean – T <0 | T – Tmean <0 | d | The flywheel torque is defined as the difference between the instantaneous torque and the mean resisting torque: \(T_{f}=T-T_{mean} \) \(T_{f}=T-T_{mean}\) When the flywheel is accelerating, it absorbs excess energy from the shaft, so \(T_{f}=T-T_{mean}>0\) When the flywheel is retarding, it releases stored energy to the shaft to maintain uniform motion, so \(T_{f}=T-T_{mean}\) \(<0\) Retarding torque means the flywheel exerts a torque opposite to the crankshaft torque, which corresponds to a negative angular acceleration. Thus, for a retarding flywheel, the condition \(T-T_{mean}<0\) | Comments | Active | |
| 95 | Kinematic chain is known as mechanism when __________ | none of the link is fixed | one link is fixed | two links are fixed | all of the links are fixed | b | When one of the links of a kinematic chain is fixed, the chain is known as a mechanism. It may be used for transmitting or transforming motion. | Comments | Active | |
| 96 | What kind of contact can be established for a lower pair? | Point contact | Surface contact | No contact | None of these | b | Lower pair: When the two elements of a pair have a surface contact when relative motion takes place and the surface of one element slides over the surface of the other, the pair formed is known as the lower pair. Sliding pairs, turning pairs, and screw pairs are examples of lower pairs. | Comments | Active | 
 
                      
                                              
                                              
                                              
                                              
                                              
                                              
                                              
                                              
                                             